OR-3H4(消费级)
OR-3H4(消费级)
OR-3H4(消费级)

提供隔离反馈

逻辑电路之间的接口

提供1通道和4通道

电平转换

DC和AC输入

SMPS中的调节反馈电路

消除接地环路

联系热线
联系热线
0755-2998 0661
特征

电流传输比:IF = ±1mA,VCE = 5V,Ta = 25 °C时最小20%

高输入输出隔离电压。(VISO=3,750Vrms)

BVCEO = 80V(MIN)

工作温度:-55°C 至 125°C

Safety approval 安全认证:UL,VDE,CQC,CE

符合 RoHS、REACH 标准 MSL I 级。



指示

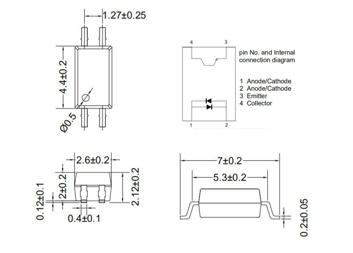
OR-3H4系列器件包含两个红外LED和一个光电晶体管探测器

对标型号

Avago

Onsemi/
Fairchild

Toshiba

Omron

Vishay

Liteon

EL

Cosmo

sharp


ACPL-214

FODM214

TLP290

PS2805-1

VOS627

LTV214

EL-3H4


PC344


应用范围

家用电源

开关电路

连接器

电磁阀控制

电话机

交流电机驱动器

温度控制

信号传输器

产品规格

image.png

937486921
18219112492
Hello!
微信扫一扫
微信扫一扫 享一对一咨询