OR-PL2835W(Yellow light)
OR-PL2835W(Yellow light)
OR-PL2835W(Yellow light)
OR-PL2835W(Yellow light)

● 超高效率

● 高可靠性性能

●视角 120°

联系热线
联系热线
0755-2998 0661
特征

1、光通量±5%

2、正向电压±0.1V

指示

● 适用于所有SMT组装和焊接工艺

●符合RoHS指令

应用范围

• 日光灯

• 球泡灯

• 面板灯广告灯箱

• 灯条灯带指定选择的LED灯珠

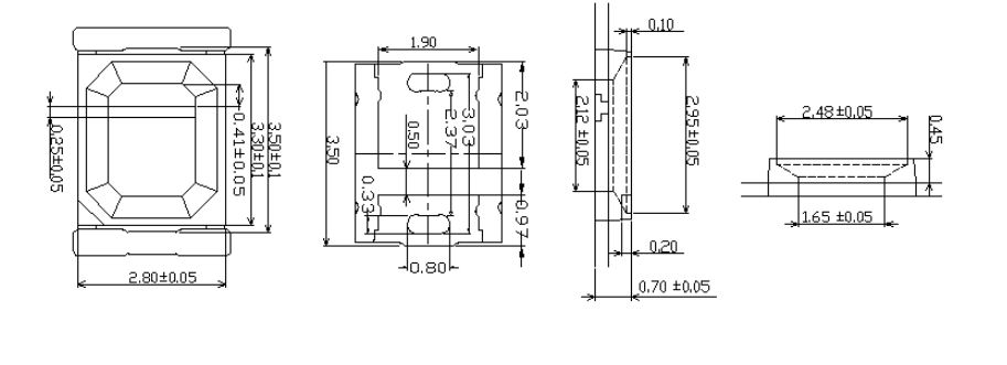
产品规格
image.png
937486921
18219112492
Hello!
微信扫一扫
微信扫一扫 享一对一咨询