OR-357(工业级)
OR-357(工业级)
OR-357(工业级)
OR-357

提供隔离反馈

逻辑电路之间的接口

提供1通道和4通道

电平转换

DC和AC输入

高集电极-发射极电压 (VCEO = 80V)

消除接地环路

联系热线
联系热线
0755-2998 0661
特征

电流传输比(CTR : 最低 50% 在 IF = 5mA, VCE = 5V, Ta=25 °C)

宽工作温度范围 -55~125ºC

高集电极-发射极电压 (VCEO = 80V)

高输入输出隔离电压 ( Viso = 3750Vrms )

安全认证:UL,VDE,CQC,CE

符合 RoHS、REACH 标准 MSL I 级。


指示

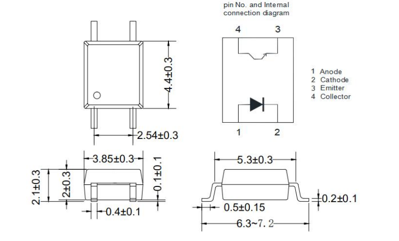
OR-357系列器件由两个红外发射二极管组成,反向并联,光学耦合到一个光电晶体管探测器

对标表

Avago

Onsemi/
Fairchild

Toshiba

Omron

Vishay

Liteon

EL

Cosmo

sharp


HCPL-181

FODM121
FODM124
FODM2701

TLP185
TLP181

PS2701-1
PS2711-1
PS2732-1
PS2761-1

SFH690T

LTV-256T
LTV-357T

EL357

KPC357NT

PC357
PC367


应用范围

家用电源

开关电路

连接器

电磁阀控制

电话机

交流电机驱动器

温度控制

信号传输器

产品规格

image.png

937486921
18219112492
Hello!
微信扫一扫
微信扫一扫 享一对一咨询