大家好!在过去一周假期中,我们迎来了祖国71周年华诞国庆节和中国传统团圆节日中秋节,举国欢腾!即使假期结束也意犹未尽......但是没有关系!您还可以参加接下来的另一场盛会:第三届全球IC企业家大会暨第十八届中国国际半导体博览会IC CHINA2020!本月14日,这场关于中国半导体行业的国际性展会将在上海新博览中心隆重举行!

本次大会暨博览会的主题是“开放发展 合作共赢—5G时代芯动能”,展品范围涵盖存储器、CPU、MCU、模拟电路,IC设计工具等;半导体制造工艺、半导体封装工艺与测试技术等;功率器件、传感器件、光电器件、MEMS等;半导体设备材料展区:半导体晶圆设备、半导体封装设备、半导体测试设备、IC测试仪器、单晶硅、硅片、化合物半导体材料等;物联网、人工智能、汽车电子、智慧城市、智能终端、健康医疗、工业应用等。
作为国产光耦领导者,奥伦德将带上全系列光耦产品在本次展会特装展位上向大家展示,诚邀各界朋友前来参观、交流,我们将热情、专业地为您解答相关咨询!

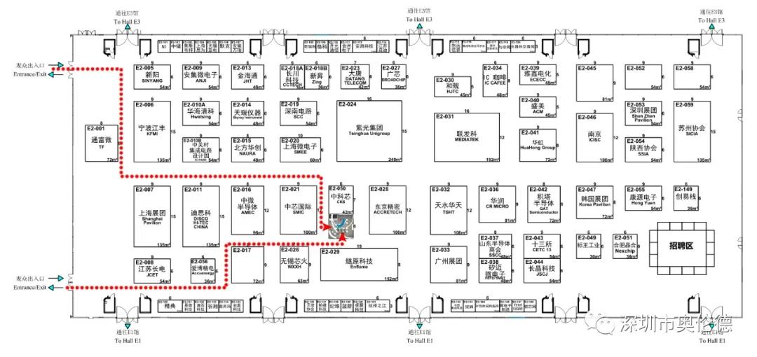
本次展会展址为上海新国际博览中心,奥伦德展位位于E2馆E2-025B。详细位置请看下图:


(展会展位分布和路线指引)
上海新国际博览中心位于上海市浦东新区龙阳路2345号,交通指引如下:

这是本次展会特装展位效果图,届时欢迎参观!

再次提醒下本次上海IC展开展时间:2020-10-14~16号;地址:上海新国际博览中心(上海市浦东新区龙阳路2345号)
10月14号,我们上海见吧!









